Rezervor de aer 10000 l, orizontal, 12bar, vopsit, Made in Italy
Rezervor de aer 10000 l, orizontal, 12bar, vopsit, Made in Italy
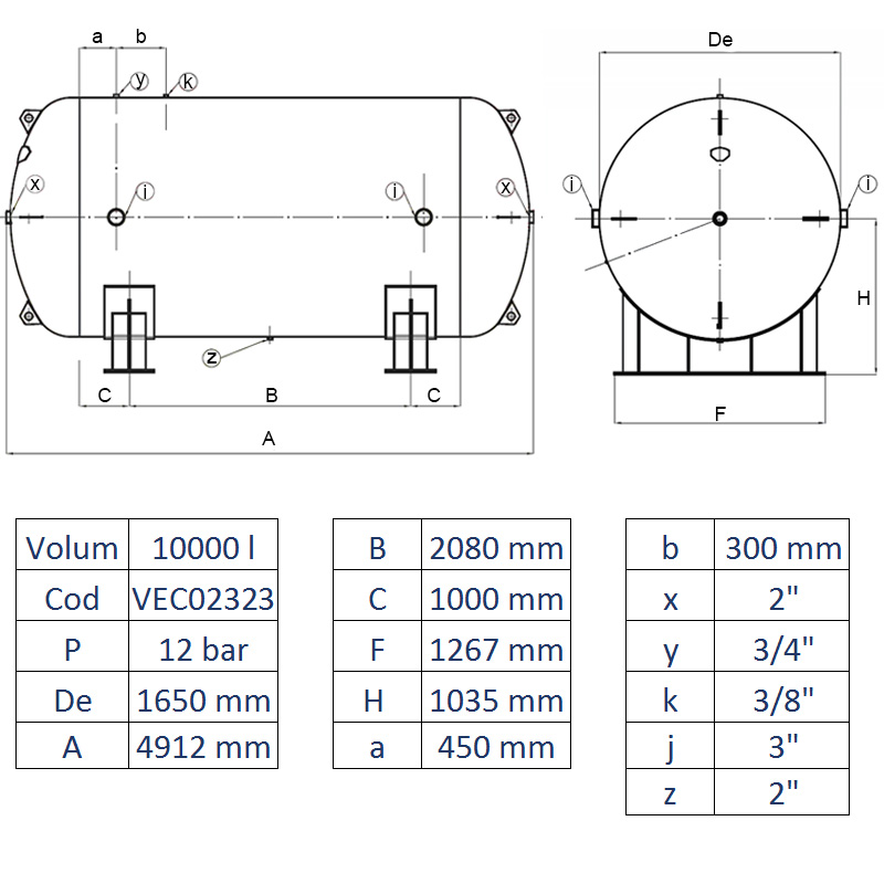
Cod: VEC02323
|
|
FIAC Air Compressors S.p.A, Bologna, Italia |
Pret de lista: 116.948,38 LEI
Pret fara TVA: 96.651,55 LEI
Descriere
Rezervoarele de aer FIAC sunt vopsite cu pulberi in camp electrostatic, si sunt echipate cu manometru, supapa de siguranta, robinet evacuare condens.
Rezervoarele FIAC sunt asezate pe picioare stabile ce permit fixarea in pardoseala.
Se livreaza cu Declaratie de Conformitate si Instructiuni de Utilizare atat pentru rezervor cat si pentru supapa de siguranta, necesare ISCIR-izarii.
Butelia corespunde Directivei Europene 2016/68/EC pentru recipienti sub presiune.
Temperatura de lucru: -10oC - +80oC.
Specificatii
Constructie: Orizontal
Tip: Vopsit
Presiune de lucru: 12 bar
Greutate: 2240 kg
Set livrare
1 x set acesorii (manometru, supapa siguranta, robinet purjare)
Cod comanda: VEC02323
Pentru pretul dumneavoastra contactati-ne
Preț: 116.948,38 LEI
Pret fara TVA: 96.651,55 LEI
- Intreaba stoc
Rezervoarele de aer FIAC sunt vopsite cu pulberi in camp electrostatic, si sunt echipate cu manometru, supapa de siguranta, robinet evacuare condens.
Rezervoarele FIAC sunt asezate pe picioare stabile ce permit fixarea in pardoseala.
Se livreaza cu Declaratie de Conformitate si Instructiuni de Utilizare atat pentru rezervor cat si pentru supapa de siguranta, necesare ISCIR-izarii.
Butelia corespunde Directivei Europene 2016/68/EC pentru recipienti sub presiune.
Temperatura de lucru: -10oC - +80oC.
Volum util: 10000 l
Constructie: Orizontal
Tip: Vopsit
Presiune de lucru: 12 bar
Greutate: 2240 kg
1 x set acesorii (manometru, supapa siguranta, robinet purjare)
Rezervoarele de aer sunt folosite atat in instalatiile de producere a aerului cu compresoare cu surub, cat si ca vas tampon suplimentar in instatiile ce folosesc compresoare cu piston. Ele asigura de asemenea un tampon de aer care mentine presiune in retea constanta, chiar la variatii mai mari ale consumului. In plus, rezervoarele favorizeaza separarea condensului din aerul comprimat produs de compresoare.
-
Supapa automata de eliminare condens FIAC SC20
Preț: 622,00 LEI
Pret fara TVA: 514,05 LEI
Cod: 1127560369
- Stoc limitat
-
Supapa automata condens electronica Airtec Plus
Preț: 0,00 LEI
Pret fara TVA: 0,00 LEI
Cod: 1127560694
-
Supapa automata de condens LDI, FIAC
Preț: 900,98 LEI
Pret fara TVA: 744,61 LEI
Cod: 8055241043
- Stoc limitat
-
Supapa automata de condens FIAC CDE10
Preț: 2.086,47 LEI
Pret fara TVA: 1.724,36 LEI
Cod: 8102048111
- Intreaba stoc
-
Supapa automata de condens FIAC CDT230
Preț: 879,95 LEI
Pret fara TVA: 727,23 LEI
Cod: 8102048176
- Intreaba stoc
-
Compresor cu surub FIAC New Silver 20S, 8 bar, 20 CP, 2450 l/min
Preț: 43.394,68 LEI
Pret fara TVA: 35.863,37 LEI
Cod: 4152028806
- Intreaba stoc
-
Compresor cu surub FIAC New Silver 25, 8 bar, 25 CP, 3000 l/min
Preț: 46.095,77 LEI
Pret fara TVA: 38.095,67 LEI
Cod: 4152028808
- Intreaba stoc
-
Compresor cu surub FIAC New Silver 25, 10 bar, 25 CP, 2590 l/min
Preț: 46.095,77 LEI
Pret fara TVA: 38.095,67 LEI
Cod: 4152028809
- Intreaba stoc
-
Compresor cu surub tip NEW SILVER 30, 8 bar
Preț: 47.289,27 LEI
Pret fara TVA: 39.082,04 LEI
Cod: 4152028810
- Intreaba stoc
-
Compresor cu surub tip NEW SILVER 30, 10 bar
Preț: 47.289,27 LEI
Pret fara TVA: 39.082,04 LEI
Cod: 4152028811
- Stoc limitat
-
Compresor cu surub si uscator tip NEW SILVER+D 20S, 8 bar
Preț: 53.951,45 LEI
Pret fara TVA: 44.587,97 LEI
Cod: 4152028818
- Intreaba stoc
-
Compresor cu surub si uscator tip NEW SILVER+D 20S, 10 bar
Preț: 53.951,45 LEI
Pret fara TVA: 44.587,97 LEI
Cod: 4152028819
- Intreaba stoc
-
Compresor cu surub si uscator tip NEW SILVER+D 25S, 8 bar, FIAC
Preț: 58.803,05 LEI
Pret fara TVA: 48.597,56 LEI
Cod: 4152028820
- Intreaba stoc
-
Compresor cu surub si uscator tip NEW SILVER+D 25S, 10 bar
Preț: 58.803,05 LEI
Pret fara TVA: 48.597,56 LEI
Cod: 4152028821
- Intreaba stoc
-
Compresor cu surub si uscator tip NEW SILVER+D 30, 8 bar
Preț: 60.458,43 LEI
Pret fara TVA: 49.965,65 LEI
Cod: 4152028822
- Intreaba stoc
-
Compresor cu surub tip NEW SILVER 20S, 13 bar
Preț: 44.976,17 LEI
Pret fara TVA: 37.170,38 LEI
Cod: 4152029871
- Intreaba stoc
-
Compresor cu surub tip NEW SILVER 25, 13 bar
Preț: 46.742,40 LEI
Pret fara TVA: 38.630,08 LEI
Cod: 4152029872
- Intreaba stoc
-
Compresor cu surub tip NEW SILVER 30, 13 bar
Preț: 47.618,13 LEI
Pret fara TVA: 39.353,82 LEI
Cod: 4152029873
- Intreaba stoc
-
Compresor cu surub si uscator tip NEW SILVER+D 20S, 13 bar
Preț: 55.222,54 LEI
Pret fara TVA: 45.638,47 LEI
Cod: 4152029877
- Intreaba stoc
-
Compresor cu surub si uscator tip NEW SILVER+D 25S, 13 bar
Preț: 59.409,04 LEI
Pret fara TVA: 49.098,38 LEI
Cod: 4152029878
- Intreaba stoc
-
Compresor cu surub tip NEW SILVER 20, 8 bar
Preț: 33.211,12 LEI
Pret fara TVA: 27.447,21 LEI
Cod: 4152040493
- Intreaba stoc
-
Compresor cu surub tip NEW SILVER 20, 10 bar
Preț: 33.211,12 LEI
Pret fara TVA: 27.447,21 LEI
Cod: 4152040494
- Intreaba stoc
Produsele FIAC sunt eficiente din punct de vedere al costurilor și al consumului de energie, extrem de fiabile. Unitatea principala de productie se afla in în Torino pentru compresoarele cu piston si Montecchio Maggiore (Vicenza) pentru compresoarele cu surub, in timp dce pompele cu surub sunt produse in fabrica proprie a grupului din Belgia, cea mai mare si cea mai moderna de acest fel.
In cei aproape 50 de ani de istorie, compania a manifestat un angajament profund față de inovație și dezvoltarea produselor și, cu sprijinul unei echipe tehnice extrem de calificate, FIAC a câștigat rapid succes pe toate piețele principale din întreaga lume, devenind o companie italiană cu acoperire globală.
FIAC este primul producator mondial al unui compresor cu piston portabil (Stratos si Cosmos, in anul 1977); primul producator al unei pompe din aluminiu, primul producator al unui compresor industrial cu surub insonorizat, primul producator al unui compresor portabil fara ulei (ECU201) - si evolutia continua!
In anul 2016 Fiac si Atlas Copco si-au unit fortele si au creat FIAC PROFESSIONAL AIR COMPRESSORS, un cumul de experienta si profesionalism. Se naste astfel o companie cu o abordare profundă orientată spre detalii și cu experiență tehnologică indelungata, un nou standard fara egal pe piata producatorilor de compresoare de aer comprimat, devenind astfel cel mai mare producator mondial pe piata compresoarelor profesionale si industriale.
Nu exista review-uri, fi primul care lasa un review…